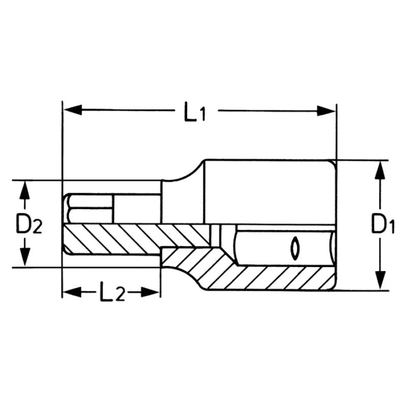
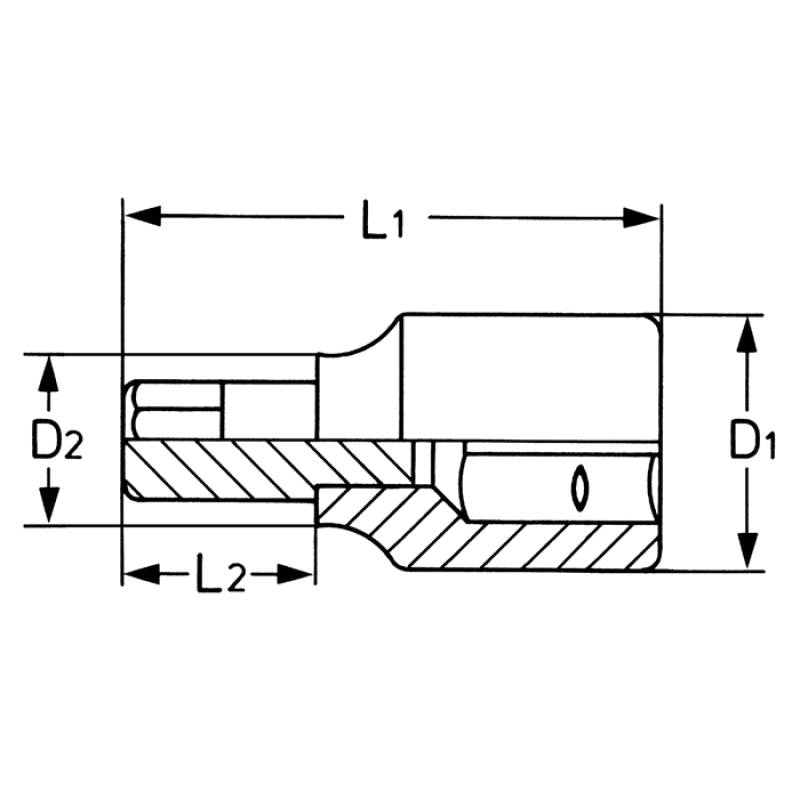
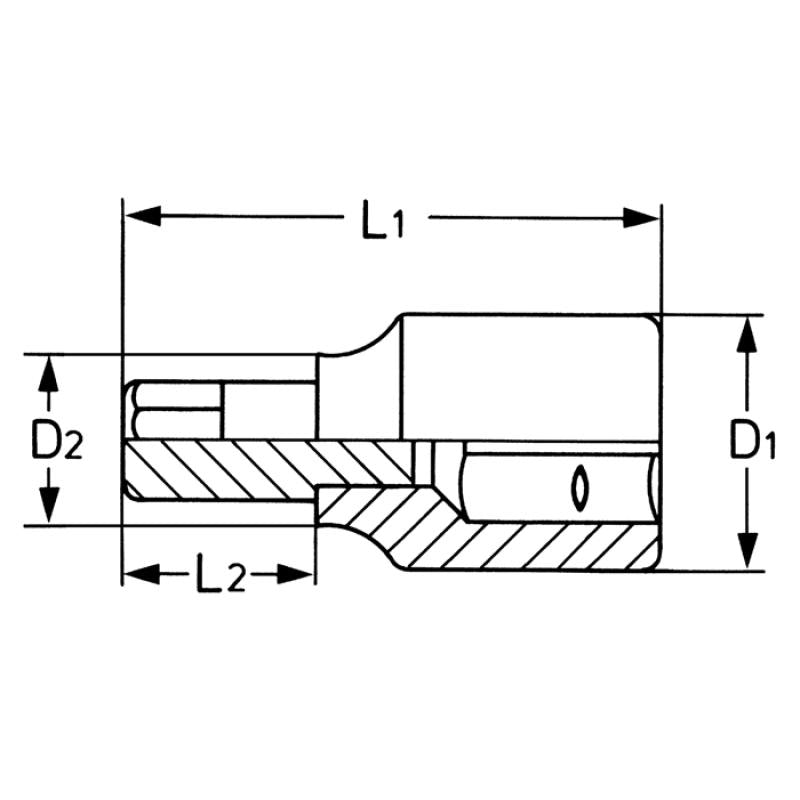
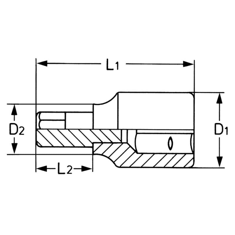
Sockets

Sockets

65 products

65 products