Regular price$52.99 USD
& FREE Shipping.
/
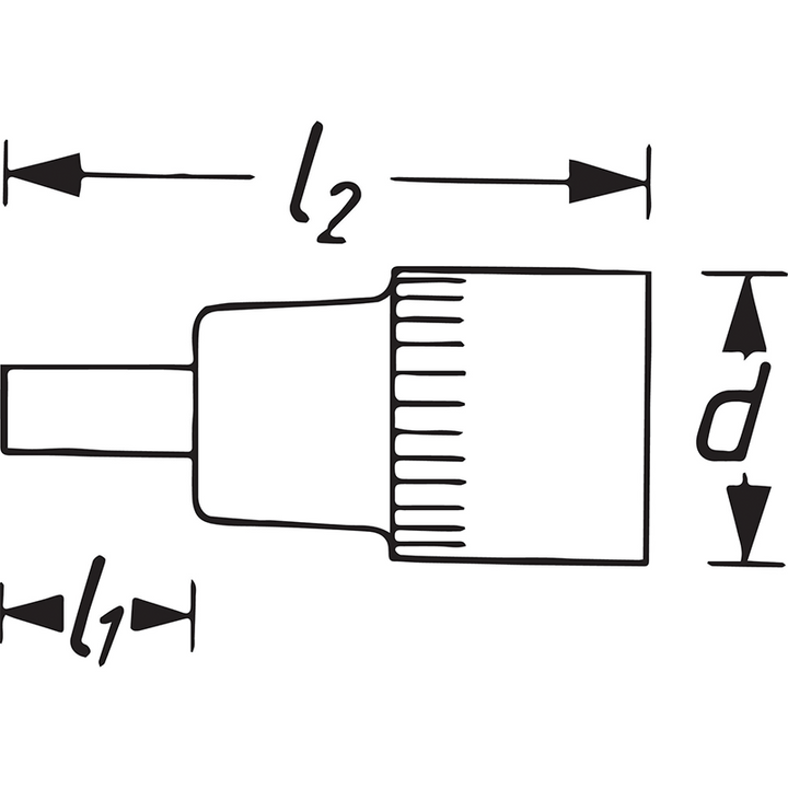
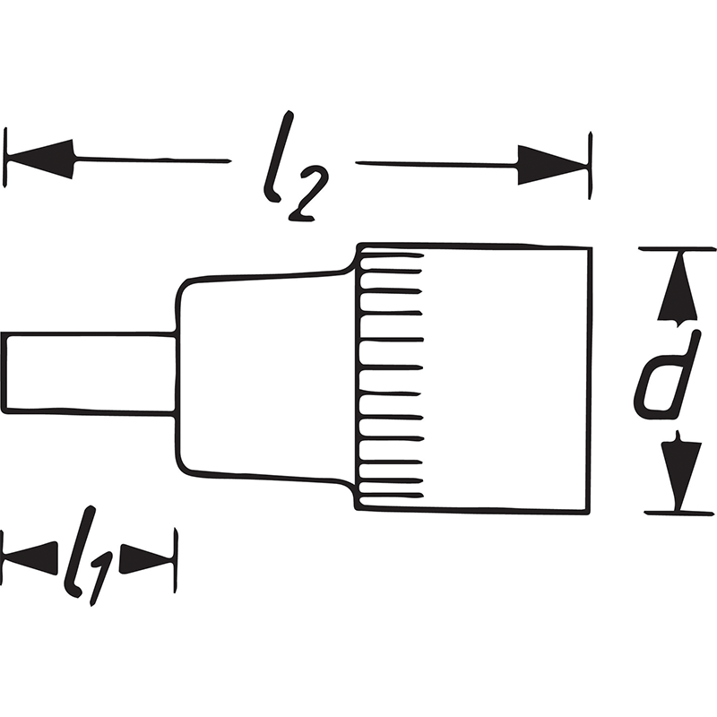
- With locking ball
- Surface: TIN coated
- Drive: Square, hollow 12.5 mm (1/2 inch)
- Output: Inside TORX® profile
- Size: T60
