Regular price$18.28 USD
& FREE Shipping.
/
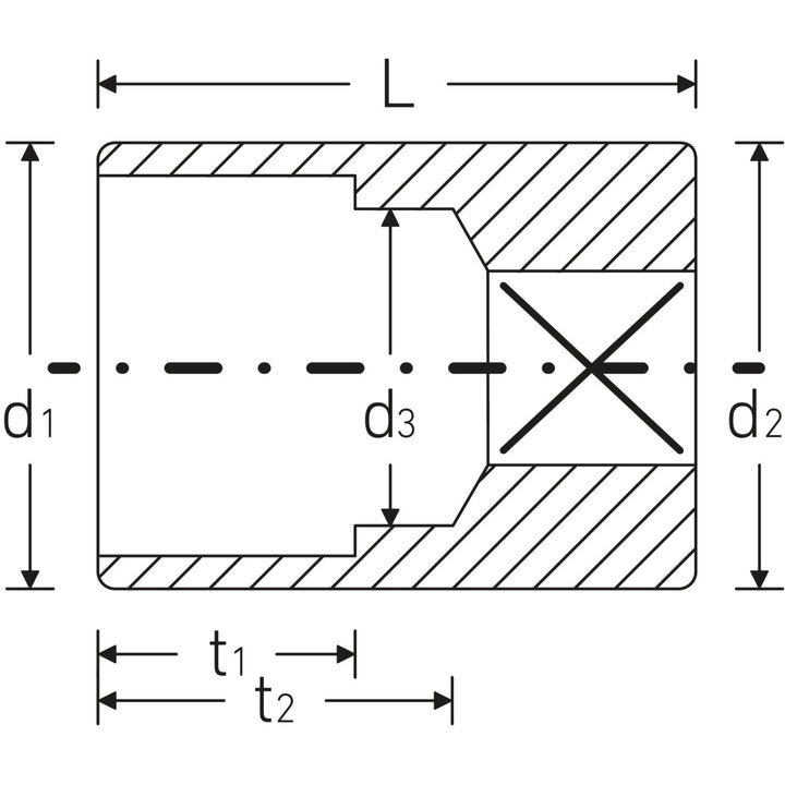
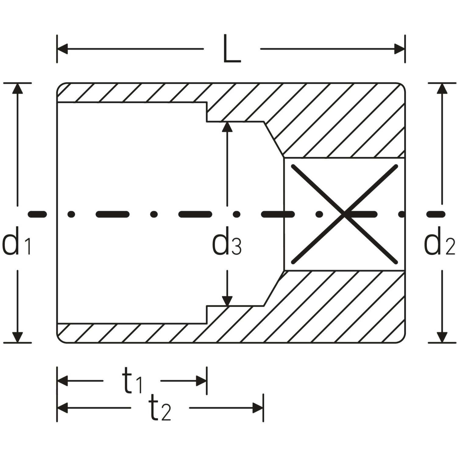
- Hex with AS-Drive profile
- 1/4" internal square drive
- HPQ® high performance steel, chrome-plated
- ASME B 107.1/Fed. Spec. GGG-W-641/SAE AS 954-E
