Regular price$47.93 USD
& FREE Shipping.
/
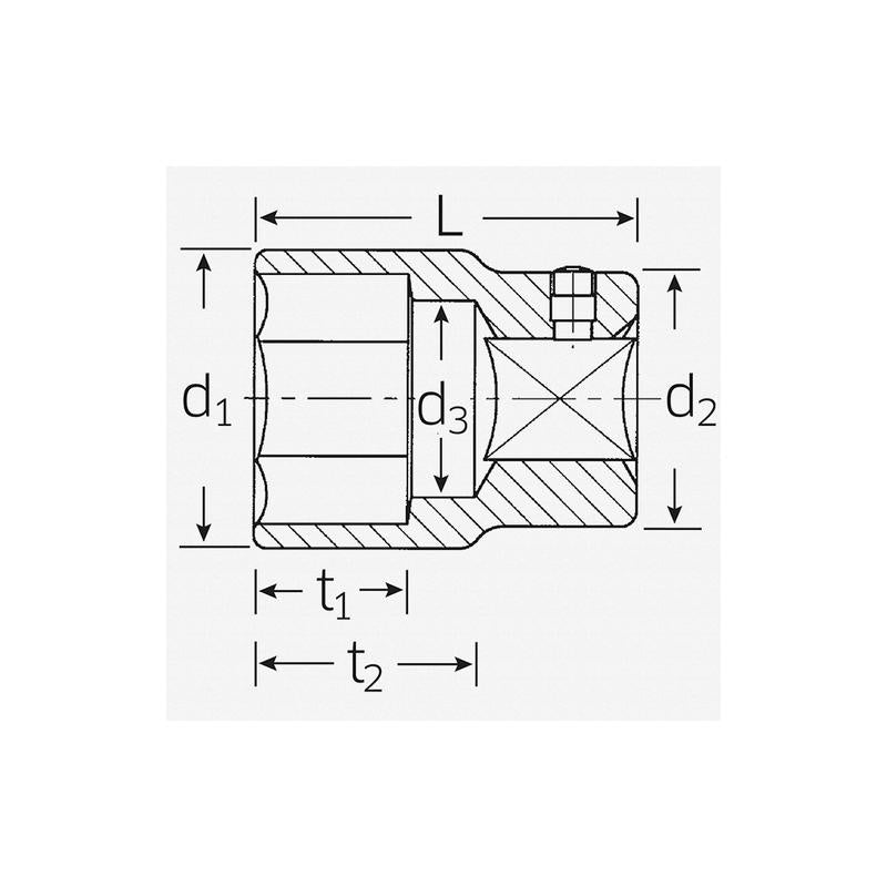
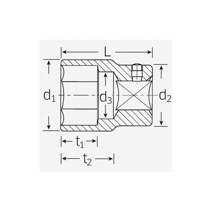
- Tip type :Hex
- Material :Alloy Steel
- Finishing :Chrome plated
- Drive Type :3/4 Inches
- Made in Germany
