Regular price$22.14 USD
& FREE Shipping.
/
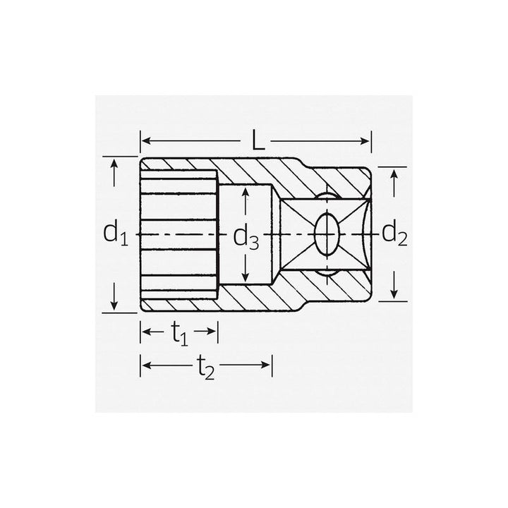
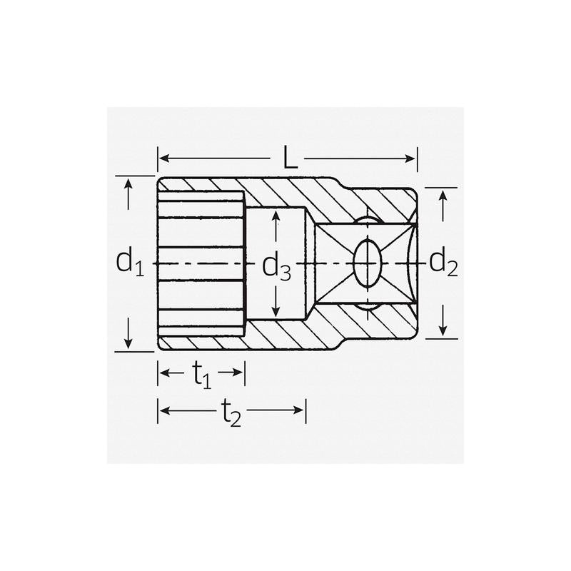
- Material: Steel
- Chrome-plated Finish
- Tip Type: Hex
- Made in Germany
